禾田气动
EN
首页
ABOUT US
About us
Culture
Honor
Application
NEWS
company news
industry news
PRODUCT
Directional control element
Cylinder
Rotary cylinder/air gripper
Components for vacuum
F.R.L Components/Pressure Control Elements
Other
INQUIRY
CONTACT US
禾田气动
EN
ABOUT US
About us
Culture
Honor
Application
NEWS
company news
industry news
PRODUCT
Directional control element
Cylinder
Rotary cylinder/air gripper
Components for vacuum
F.R.L Components/Pressure Control Elements
Other
INQUIRY
CONTACT US
Swing rotary cylinder
/ PRODUCT INFO
首页
>
PRODUCT
>
Rotary cylinder/air gripper
>
Swing rotary cylinder
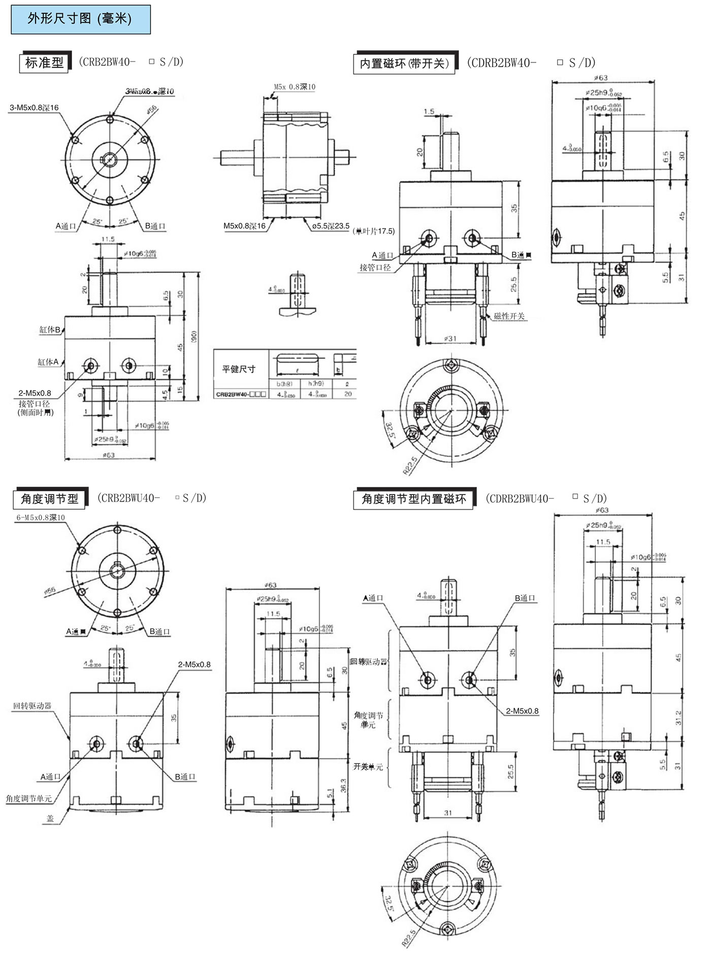
HCRB2BW series swing cylinder
产品图片
3D预览
Details
产品详细介绍
为什么选择我们?
PRODUCTS
同类产品
Swing rotary cylinder
HMSUB series swing cylinder
HMSQB series swing table (rack and pinion type)
HMRH series large vane swing cylinder
HCRB2BW series swing cylinder
产品中心
关于我们
资讯中心
TEL:
086-577-62693336
ADD:
Michuan Industrial Zone, Baishi Street, Yueqing City, Zhejiang Province
联系禾田
在线询价
扫码访问手机版
Copyright © 2018-2021 HETIAN All Rights Reserved.
浙ICP备2021038892号-1
技术支持:
博远网络
网站首页
产品中心
电话咨询
联系我们
顶部