禾田气动
EN
首页
关于我们
公司介绍
企业文化
资质证书
应用领域
新闻中心
公司动态
行业动态
产品中心
方向控制元件
电磁阀
流体阀
机械阀
气缸
标准气缸(圆形)
标准气缸(方形端盖)
紧凑型气缸
无杆气缸
滑台气缸
带导杆气缸
夹紧气缸
旋转气缸/气爪
气爪
摆动旋转气缸
真空用元件
真空发生器
真空调压阀
真空过滤器
F.R.L组件/压力控制元件
调压过滤器
电气比例阀
调压阀
三联件
二联件
油雾器
过滤器
排水器
其他
磁性开关系列
卡套系列
C式接头系列
不锈钢接头系列
快拧系列
快速接头系列
气缸附件
气管系列
气枪系列
消声器系列
招贤纳士
在线询价
联系我们
禾田气动
EN
关于我们
公司介绍
企业文化
资质证书
应用领域
新闻中心
公司动态
行业动态
产品中心
方向控制元件
气缸
旋转气缸/气爪
真空用元件
F.R.L组件/压力控制元件
其他
招贤纳士
在线询价
联系我们
摆动旋转气缸
/ PRODUCT INFO
首页
>
产品中心
>
旋转气缸/气爪
>
摆动旋转气缸
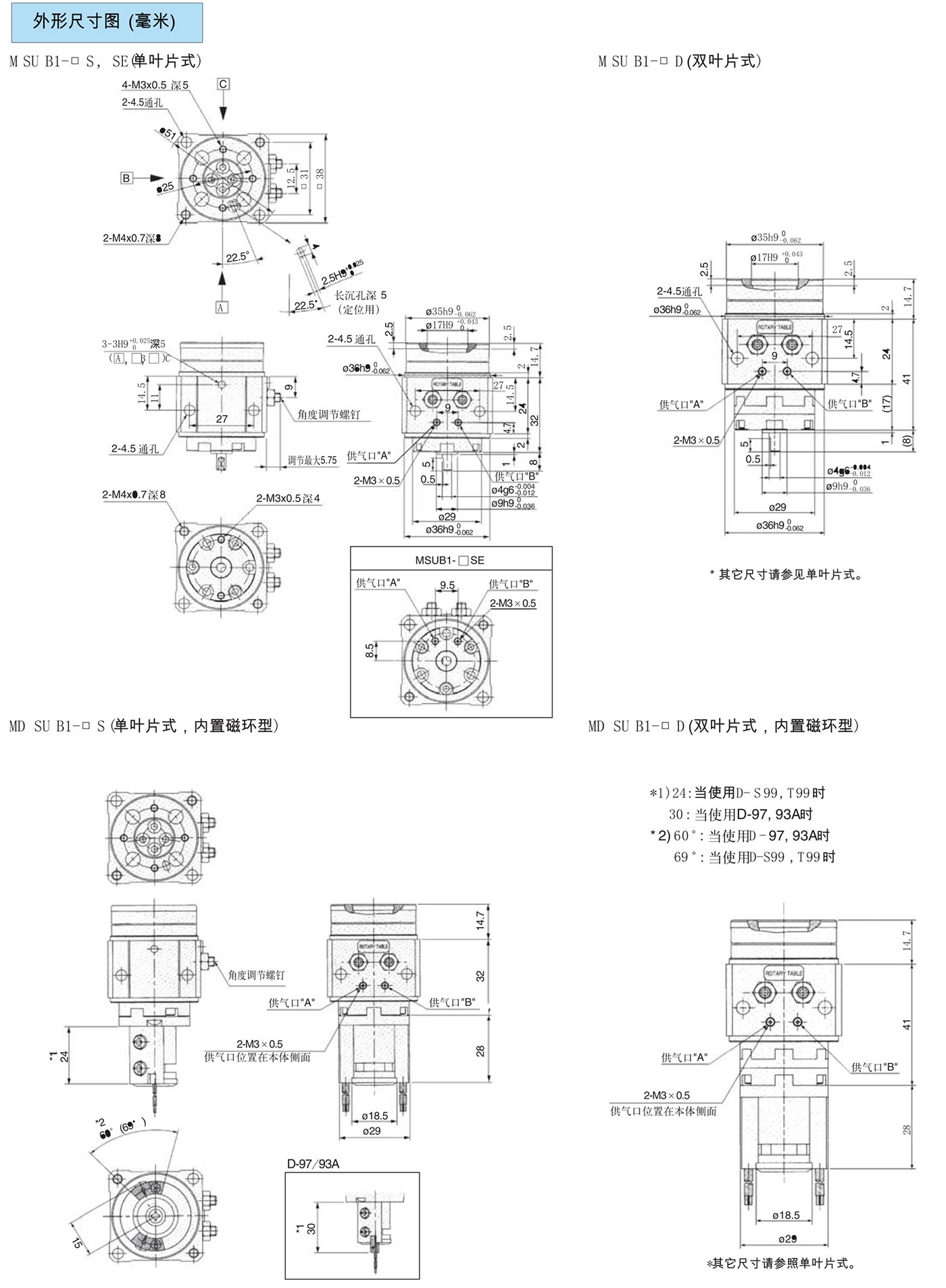
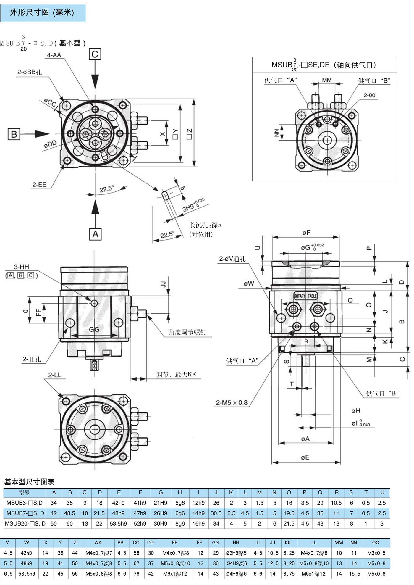
HMSUB系列摆动气缸
产品图片
3D预览
Details
产品详细介绍
为什么选择我们?
PRODUCTS
同类产品
摆动旋转气缸
HMSUB系列摆动气缸
HMSQB系列摆台(齿轮齿条式)
HMRH系列大型叶片式摆动气缸
HCRB2BW系列摆动气缸
产品中心
方向控制元件
气缸
旋转气缸/气爪
真空用元件
F.R.L组件/压力控制元件
其他
关于我们
公司介绍
企业文化
资质证书
应用领域
资讯中心
公司动态
行业动态
TEL:
0577-62693336
ADD:
浙江省乐清市白石街道密川工业区
联系禾田
在线询价
扫码访问手机版
Copyright © 2018-2021 禾田气动 All Rights Reserved.
浙ICP备2021038892号-1
技术支持:
博远网络
网站首页
产品中心
电话咨询
联系我们
顶部